
設備特點:結構簡單、均勻度高
設備容積:0.015m3-3m3
每次混合量:6Kg-1800Kg(以水的比重1為標準)
混合時間:4分鐘-6分鐘(特殊物料由用戶自定)
驅動功率:1.5KW-22KW
設備材質:碳鋼C,不銹鋼P,304、321、316L等
適用物料:松散比重0.4-1.2的干粉、晶體顆粒(可添加少量液體)。
該系列機擁有自主創新及專有技術,科技含量高,專項設計、制造、新穎、效率高、節能、性能突出。
凱日牌商標經國家商標局注冊,第1629778號,我廠專注生產的新一代“凱日牌”ZSH系列大開門螺帶式混合機,在混合制造業中,具有多年的豐富實踐經驗,是廣大用戶選購“螺帶式錐形混合機”的優選機型,深受用戶歡迎和認可。
| 混合機內部的螺帶攪拌結構
|
| 混合筒體外配置夾套實現加熱或冷卻
|
| 可配置人工加料口或全開式上蓋 在架設平臺的錐形混合機上,可配置人工倒料的加料口和過篩網格。 在小型設備上,可將筒蓋做成全開式,以便于用戶人工投料和對設備內部進行清理。 |
| 梅花出料閥、邊出料等多種出料方式可選 一般采用梅花狀“錯位閥”,此閥與長螺旋底部貼合緊密,有效減少混合死角,驅動形式有手動和氣動可選。根據用戶需要,也可加裝蝶閥、球閥、星形卸料器、邊出料等。 |
| 碳鋼、不銹鋼多種材質可選 型螺帶混合機的板材可以使用市場上所能提供的各種金屬材料,通常使用的材料有碳鋼、錳鋼、304不銹鋼、316L不銹鋼、321不銹鋼等材料。選擇正確的材料能保障正常生產出合格的產品,還能確保低的設備成本。 |
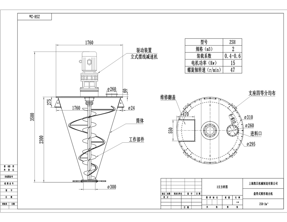
由傳動結構、錐形筒、外層螺帶攪拌器、內層反向螺桿攪拌器和出料閥組成。
該新一代系列大開門錐形螺帶式混合機,沿螺旋線的外圈螺帶及錐形中軸線的內圈螺旋,外圈螺帶沿筒壁提升物料,內圈螺旋反向作用,漩渦狀的物料流動軌跡,使物料在短時間內混合均勻,外全螺帶能夠全周性的帶動物料,在排出料過程中,外圈螺帶去除貼壁物料,內圈螺旋排出物料。倒錐形的筒體,使流動性差的物料也能迅速排料,無殘留量、干凈、采用大開門卸料裝置。
因筒體內沒有傳動結構,不需潤滑和密封,無泄漏油危險,很衛生,所以特別適用于醫藥、電池、食品等對雜質控制嚴格的行業粉體物料混合。



A、設備的外觀處理與選材制作:
筒體外觀處理分為:滾花(常規)、噴漆、拉絲、鏡面與噴砂,選材時區分混合部分金屬材料類別,不銹鋼用“P”、碳鋼用“C”、筒體內部拋光數值基本為Ra1.6(常規),筒體內部也可噴涂碳化鎢,特氟龍等耐腐材料。有關要求在訂貨時提出說明。
設備材質可選用碳鋼C、不銹鋼P,304、321、316L等,不同的材質也可互相結合以達到理想的組合效果。

滾花(常規)

噴漆處理

筒體外內部拋光Ra1.6(常規)

B、驅動裝置:
錐形雙螺旋混合機可根據混合物料的堆積密度、粒目等因素,選擇理想的驅動方式,傳動減速機采用:擺線針輪、齒輪與擺線針輪、雙蝸輪、齒輪與蝸輪、齒輪與齒輪等。電機可配:普通電機、防爆電機、變頻電機等。

蝸輪蝸桿減速機(0.3m3-3m3)

擺線針輪減速機(0.08m3-10m3)

齒輪與擺線減速機(0.3m3-10m3)
C、出料方式:
混合機出廠時均配有梅花型轉盤式錯位閥,可控制放出料速度。大開門出料閥可快速的將物料從筒體內排出,按用戶要求該機也可裝配蝶閥、閘閥、球閥等國標閥門。出料閥的操作方式,手動用S、電動用J、氣動用Q。

梅花閥(常規)

大開門出料閥

手動球閥

氣動出料
D、開口布局
混合機筒蓋上設有若干孔,供進料、觀察、清洗、維修用,按照用戶的不同要求進行改造:全開式、半開式翻蓋、排氣孔、除塵孔、國標法蘭對接等。

常規開口

國標法蘭開口

除塵口

客戶要求開口
E、配套與定做
混合機可配備:電控箱、螺旋上料機、斗式上料機等。
本公司定制雙螺旋混合機,常規筒體外進行夾套。一般可進行水蒸氣加熱及電熱絲加熱、水冷卻等;以便客戶對物料的溫度進行控制。快速脫卸式方便客戶,拆下筒體進行清洗。

電控箱

螺旋上料機

半直筒型
上海凱日專注生產的凱日牌系列螺帶式錐形混合機,廣泛應用于染料、鈦白粉、明膠、納米材料、科研、醫藥、農藥、畜藥、食品、乳制品、食品添加劑、香精、香料、果粉、方便面調料、釀造、食鹽、碘鹽、多品種鹽、味精、調味粉、咖啡、飼料、飼料添加劑、預混料、濃縮料、化工、助劑、化肥、化學、生物、輕工、冶金、礦山、陶瓷、顏料、涂料、塑料、橡膠、碳素、水泥、外加劑、建材、耐火材料、砼添加劑、電池、鋰電新材料、電子等各行各業中粉體與粉體混合,粉體中添加微量液體混合,液體與液體混合,液體與粉體;顆粒、片狀、短纖維的組合性混合。對混合物適應性強,對過敏性物料不會產生過熱、壓饋、磨碎,對比重懸殊和粒度不同的物料的混合不會產生分層、離析等現象。





尊敬的新老用戶:
您們好!如需詳細混合機說明,請告知貴公司名稱及您的聯系電話,以便我們盡快與您取得聯系,謝謝合作!
請掃一掃添加聯系
上海凱日機械—專產混合機,13701987676,謝謝!
全國銷售熱線:021-66288666
免費電話,無需話費,輸入立即溝通